Технические данные:
- Тип: РТ0-50, РТ0-100, РТ0-200, РТ0-400, РТ0-600, РТ0-1000
- Номинальное напряжение: 500/690 В
- Номинальные токи: 10A-1000A
- Отключающая способность: 380В 500В-120кА, 690В-80кА
- Уровень функции:gG/gL\gtr\aM\gM\aR
- Стандарт: IEC50269, DIN43620, VDE 0636
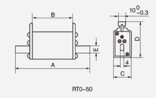
| Нет. | Тип продукта | Номинальное напряжение (В) | Номинальный ток (А) | Габаритные размеры (мм) | |||||
| А | Б | С | Д | Е | ЧАС | ||||
| 18044 | РТ0-50 | 500/660 | 10-50 | 105 | 62 | 26 | 52 | 11 | - |
| 18045 | РТ0-100 | 500/660 | 30-100 | 123 | 62 | 40 | 52 | 18 | - |
| 18046 | РТ0-200 | 500/660 | 100-200 | 133 | 62 | 46 | 58 | 23 | - |
| 18047 | РТ0-400 | 500/660 | 200-400 | 143 | 62 | 55 | 66 | 30 | - |
| 18048 | РТ0-600 | 500/660 | 450-600 | 163 | 62 | 67 | 78,5 | 36 | - |
| 18049 | РТ0-1000 | 500/660 | 800-1000 | 280 | 80 | 85 | 102 | 48 | 160 |
Измерение


