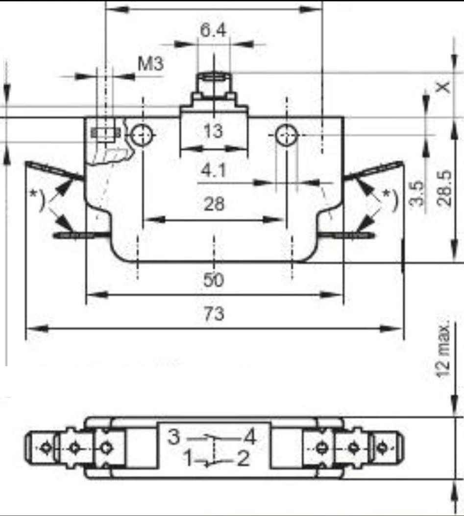
Выключатели с принудительным размыканием и обтирающими двойными размыкающими контактами
Переключатели серии S826e20 оснащены гальванически развязанными контактными перемычками,
можно управлять двумя отдельными цепями нагрузки с независимым напряжением
уровней одновременно. Это делает их идеально подходящими для задач автоматизации
с отдельными электрическими нагрузками.
Протирающие контакты с двойным размыканием обеспечивают высокую надежность даже при низких
электрические нагрузки. Выключатели с золотыми контактами особенно подходят для низких
токи и напряжения.


