Солнечный фотоэлектрический предохранитель 10x38 мм 1000 В пост. тока gPV от 1 А до 8 А, 10 А, 12 А, 15 А, 16 А, 120 А, 25 А, 30 А, 32 А
10x38мм 1000VDC солнечный фотоэлектрический предохранитель 15A 30A
Компания Yueqing Aidun Electrical производит предохранители серии SSPV марки «SOLARSON» 10x38 мм, 1000 В пост. тока для защиты и изоляции фотоэлектрических цепочек. Предохранители специально разработаны для использования в фотоэлектрических системах с экстремальной температурой окружающей среды, частыми циклами и низким током короткого замыкания (обратный ток, многоэлементное повреждение) массивов. Доступны четыре стиля для гибкости применения.
Описание продукта
□ Согласно IEC/EN60269-6 и UL248.
□ Номинальный ток: 1А, 2А, 3А, 4А, 5А, 6А, 8А, 10А, 12А, 15А, 16А, 20А, 25А, 30А, 32А
□ Номинальное напряжение: 1000 В постоянного тока
□Номинальная отключающая способность: 33 кА постоянного тока
□ Плавкая вставка gPV рабочего класса и UL PV для защиты от солнца
Технические данные
| Элемент | Тип продукта | Размер | Номинальное напряжение (В) | Номинальный ток (А) | Метод установки | № чертежа |
| 001 | ССПВ-30 | 10х38 | 1000 В постоянного тока | 1,2,3,3,5,4,5,6,8,10,12,15, 16,20,25,30 | Цилиндрический | Рисунок 1 |
| 002 | ССПВ-30Б | 10х38 | 1000 В постоянного тока | 1,2,3,3,5,4,5,6,8,10,12,15, 16,20,25,30 | Болт крепления | Рисунок 2 |
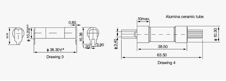
| 003 | ССПВ-30П | 10х38 | 1000 В постоянного тока | 1,2,3,3,5,4,5,6,8,10,12,15, 16,20,25,30 | Крепление печатной платы | Рисунок 3 |
| 004 | ССПВ-30Т | 10х38 | 1000 В постоянного тока | 1,2,3,3,5,4,5,6,8,10,12,15, 16,20,25,30 | В линию с обжимной клеммой | Рисунок 4 |
измерение

